
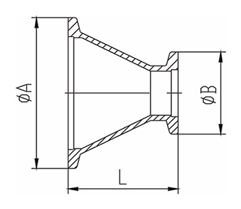
| Model No | NW25/NW16 | NW40/NW16 | NW40/NW25 | NW50/NW16 | NW50/NW25 | NW50/NW40 |
| A | 40 | 55 | 55 | 75 | 75 | 75 |
| B | 30 | 30 | 40 | 30 | 40 | 55 |
| L | 40 | 40 | 40 | 40 | 40 | 40 |

| Model No | NW25/NW16 | NW40/NW16 | NW40/NW25 | NW50/NW16 | NW50/NW25 | NW50/NW40 |
| A | 40 | 55 | 55 | 75 | 75 | 75 |
| B | 30 | 30 | 40 | 30 | 40 | 55 |
| L | 40 | 40 | 40 | 40 | 40 | 40 |