
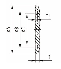
| Model No | NW10 | NW16 | NW25 | NW40 |
| A | 30 | 30 | 40 | 55 |
| B | 12.2 | 17.2 | 26.2 | 41.2 |
| C | 6 | 11 | 20 | 35 |
| T | 5 | 5 | 5 | 5 |
| T1 | 2.5 | 2.5 | 2.5 | 2.5 |
| Model No | NW50 | NW63 | NW80 | NW100 | NW125 | NW160 | NW200 |
| A | 75 | 87 | 114 | 134 | 161 | 190 | 252 |
| B | 52.2 | 70.2 | 83 | 102 | 127 | 153 | 213 |
| C | 46 | 64 | 73 | 92 | 117 | 143 | 203 |
| T | 5 | 5 | 11 | 11 | 11 | 11 | 11 |
| T1 | 2.5 | 2.5 | 6.5 | 6.5 | 6.5 | 6.5 | 6.5 |




