
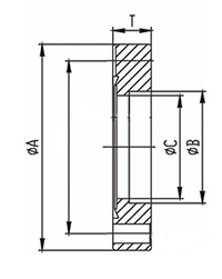
| Model No | CF16 | CF25 | CF35 | CF50 | CF63 | CF100 | CF150 | CF200 | CF250 |
| A | 34 | 54 | 70 | 86 | 114 | 152 | 202 | 253 | 305 |
| B | 18 | 28 | 38 | 53 | 66 | 104 | 154 | 205.5 | 256.5 |
| C | 16 | 25 | 35 | 50 | 63 | 100 | 150 | 200 | 250 |
| T | 7.3 | 10.5 | 13 | 16 | 17.5 | 20 | 22 | 24.5 | 26 |

| Model No | CF16 | CF25 | CF35 | CF50 | CF63 | CF100 | CF150 | CF200 | CF250 |
| A | 34 | 54 | 70 | 86 | 114 | 152 | 202 | 253 | 305 |
| B | 18 | 28 | 38 | 53 | 66 | 104 | 154 | 205.5 | 256.5 |
| C | 16 | 25 | 35 | 50 | 63 | 100 | 150 | 200 | 250 |
| T | 7.3 | 10.5 | 13 | 16 | 17.5 | 20 | 22 | 24.5 | 26 |